Grundfos UPMXL 25-125 180 modulierende Hocheffizienzpumpe
Produktbezeichnung
UPMXL 25-125 180
Produktnummer
59C80852
EAN-Nummer
5711498431812
Preis
Technische Daten
Maximale Förderhöhe
125 dm
Temperaturklasse
95
Zulassungen
CE,VDE
Werkstoffe
Pumpengehäuse
Grauguss
Laufradwerkstoff
PES mit 30 % Glasfaseranteil
Installation
Maximale Umgebungstemperatur
55 °C
Max. Betriebsdruck
10 bar
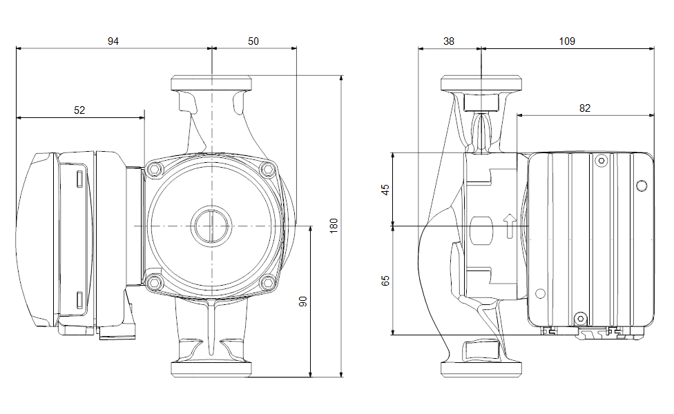
Einbaulänge
180 mm
Fördermedium
Medientemperaturbereich
-10 .. 95 °C
Medientemperatur während des Betriebs
60 °C
Dichte
983.2 kg/m³
Elektrische Daten
Leistungsaufnahme P1
3 .. 180 W
Netzfrequenz
50 Hz
Bemessungsspannung
1 x 230 V
Maximale Stromaufnahme
0.06 .. 1.42 A
Schutzart (gemäß IEC 34-5)
X2D
Temperaturschutz
ELEC
Sonstiges
Energieeffizienzindex (EEI)
0.23
Nettogewicht
2.6 kg
Bruttogewicht
2.7 kg




